Bass Fishing HomeBass Fishing Forums

Go Back   BassFishin.Com Forums > Serious Conversation Only > Bass Boats, Trailers & Setups

Reply
 
Thread Tools Rate Thread Display Modes
Old 01-01-08, 06:44 PM   #1
WTL
BassFishin.Com Premier Elite
 
WTL's Avatar
 
Join Date: Dec 2001
Location: Huntsville, Al
Posts: 7,466
Default "New" (old) outboard for my Tracker...

Some of you may remember that I wrecked my boat over the summer, causing signifigant damage to the trailer, tm and outboard. Well, I finally got around to doing something about an outboard, I went ebay and bought a 1965 Evinrude 4 cylinder 60 horse outboard for 150 bucks. Maybe it will work, maybe it wont; but its worth the try.

Anyways, here it is just hangin on the transom. Its not bolted on yet.

Click image for larger version

Name:	01-01-08_1625.jpg
Views:	3210
Size:	100.7 KB
ID:	1893
Click image for larger version

Name:	01-01-08_1626.jpg
Views:	3240
Size:	97.8 KB
ID:	1894


I have a few questions that if anyone wants to take a stab at, feel free. I don't have a ton of experience with either motors this large or this old.

On the bolt through mount, should 4 bolts be enough?

Is it normal to have the motor attached by these two brackets that attatch directly to the transom, with bolts up at the top that the motor hangs and pivots (tilts) off of?
__________________
Selling live waterdogs for less since 2005.
WTL is offline   Reply With Quote
Old 01-01-08, 09:32 PM   #2
zooker
BassFishin.Com Premier Elite
 
zooker's Avatar
 
Join Date: Jan 2004
Location: denton nc
Posts: 13,441
Default

yep 4 bolts will do it...

zooker
__________________
the godfather..
aml in remission since 7-20-09
zooker is offline   Reply With Quote
Old 01-02-08, 02:08 AM   #3
carolina-rig-01
BassFishin.Com Premier Elite
 
carolina-rig-01's Avatar
 
Join Date: Feb 2006
Location: Webb City, MO
Posts: 6,387
Default

wtl, hope you have great luck with that motor!
__________________
You only live once. But if you do it right, once is enough.
carolina-rig-01 is offline   Reply With Quote
Old 01-02-08, 09:30 AM   #4
Jackl
BassFishin.Com Super Veteran
 
Join Date: Jan 2002
Location: Great Bend, KS
Posts: 2,960
Default

WTL,
Be sure to use plenty of marine grade silicone in the bolt holes to keep the water from seeping in and rotting your transom.
JackL
__________________
There are two theories about argueing with women...........Neither one works!
Jackl is offline   Reply With Quote
Old 01-02-08, 06:08 PM   #5
zooker
BassFishin.Com Premier Elite
 
zooker's Avatar
 
Join Date: Jan 2004
Location: denton nc
Posts: 13,441
Default

the one part you want to keep replaced in the double stacker rudes is the the small v belt. it runs your distributer and clynoid not to mention your generator/alternator..i have found that the double stacker rude moters that when they run they run AWESOME don't try to adjust them if they are running good. the lowers on the older moters leak like sieves i recomend checking the lower unit oil every 3 months. i have to say that the double stacker moters are VERY loud if run with out a cover.. i had a 1958 75 horse on a thunder bird. it pushed the boat 45mph gps. your boat weighs less than 1/2-fully loaded- that old thunderbird did..

zooker
__________________
the godfather..
aml in remission since 7-20-09
zooker is offline   Reply With Quote
Old 01-02-08, 06:31 PM   #6
WTL
BassFishin.Com Premier Elite
 
WTL's Avatar
 
Join Date: Dec 2001
Location: Huntsville, Al
Posts: 7,466
Default

Click image for larger version

Name:	01-02-08_1605.jpg
Views:	5060
Size:	94.3 KB
ID:	1896
Click image for larger version

Name:	01-02-08_1606.jpg
Views:	5160
Size:	87.0 KB
ID:	1897


Two new pics. I got it bolted through today. Zook, I used 4 bolts but I might have gone a little low on the upper one, so we'll see if it tightens it down. Or if I end up drilling and doing 6. Is there such a thing as too much torque in this instance?


Quote:
i had a 1958 75 horse on a thunder bird. it pushed the boat 45mph gps. your boat weighs less than 1/2-fully loaded- that old thunderbird did..

So what are you trying to tell me? That I might push 70 in a tracker? Or flip trying?
__________________
Selling live waterdogs for less since 2005.
WTL is offline   Reply With Quote
Old 01-03-08, 04:09 PM   #7
WTL
BassFishin.Com Premier Elite
 
WTL's Avatar
 
Join Date: Dec 2001
Location: Huntsville, Al
Posts: 7,466
Default

I got it started. But then I realized, how the hell do I stop the thing?

If anyone knew of schematic online for just a similar engine it would really help. I just barely understand the concept of this thing right now.

Click image for larger version

Name:	01-03-08_1351.jpg
Views:	2591
Size:	61.8 KB
ID:	1899

Click image for larger version

Name:	01-03-08_1350.jpg
Views:	2623
Size:	41.3 KB
ID:	1900

Click image for larger version

Name:	01-03-08_1349.jpg
Views:	2669
Size:	78.4 KB
ID:	1901Zooker, when you're right, you're right. Like a seive.

I think I've figured out the throttle and shifting cables, but I'm looking at a ball of wires and the solenoid and I'm pretty confused. This is more complicated than my Merc 35 by a good bit. But I'm gonna get it, one way or another.
__________________
Selling live waterdogs for less since 2005.

Last edited by WTL; 01-03-08 at 06:07 PM.
WTL is offline   Reply With Quote
Old 01-03-08, 06:22 PM   #8
zooker
BassFishin.Com Premier Elite
 
zooker's Avatar
 
Join Date: Jan 2004
Location: denton nc
Posts: 13,441
Default

brother love
wiring is the biggest pain in the azz-trust me-..
that leak is in the mid. should not bother a whole lot. just remember that old a moter is NOT a self drainer.. do NOT tip it up while sitting leave it as far down as possable. after you run it a while on the muff make sure when done you remove the muffs. and start the moter just for a second. not enough to hurt it but enough to throw the water out of the lower..

now the mid leak.. hmmm how long has it sit with out running?? if you have a week with out freezing temps. this is what i would do is get a 1/2 of a 55 gallon barrel. fill with water and plunge the moter in it and leave it.-at least 4 days- the gaskets tend to dry out. this plunging in the tank will seep moisture back into the gaskets causing them to swell.hence stopping the majority of the leaks..

zooker
__________________
the godfather..
aml in remission since 7-20-09
zooker is offline   Reply With Quote
Old 01-04-08, 07:13 PM   #9
1FASTLASER
BassFishin.Com Super Veteran
 
1FASTLASER's Avatar
 
Join Date: Aug 2005
Location: crossett,arkansas
Posts: 2,777
Default

Quote:
Originally Posted by WTL View Post
Attachment 1896
Attachment 1897


Two new pics. I got it bolted through today. Zook, I used 4 bolts but I might have gone a little low on the upper one, so we'll see if it tightens it down. Or if I end up drilling and doing 6. Is there such a thing as too much torque in this instance?





So what are you trying to tell me? That I might push 70 in a tracker? Or flip trying?
4 bolts will hold the motor. Thats all we put on the big V6 250 and 300hp motors bud. Also you have the cables figured out correctly. Hopefully you got the control box with this motor. Your merc box will not work wihout ALOT of modifications.
__________________
Laser's rule with Merc's doing the pushing..........KEEP THE WETSIDE DOWN AND THE DRY SIDE UP!!!!!!
1FASTLASER is offline   Reply With Quote
Old 01-04-08, 07:16 PM   #10
1FASTLASER
BassFishin.Com Super Veteran
 
1FASTLASER's Avatar
 
Join Date: Aug 2005
Location: crossett,arkansas
Posts: 2,777
Default

As soon as I hear from you on whether or not you got the control box or not I will dig up a wiring diagram for ya.
__________________
Laser's rule with Merc's doing the pushing..........KEEP THE WETSIDE DOWN AND THE DRY SIDE UP!!!!!!
1FASTLASER is offline   Reply With Quote
Old 01-04-08, 07:26 PM   #11
WTL
BassFishin.Com Premier Elite
 
WTL's Avatar
 
Join Date: Dec 2001
Location: Huntsville, Al
Posts: 7,466
Default

I have the control box, it has 2 levers and its working (although I'm sure there will be a lot of adjusting.

But the wiring diagram would be huge. I'm also trying to work out a steering system based on the mercs' rack and pinion cable. I have some ideas and websites that show a little on that. But I don't know if the I should just scrap the old cable and get a new one since the cable was damaged in the wreck.
__________________
Selling live waterdogs for less since 2005.
WTL is offline   Reply With Quote
Old 01-04-08, 08:23 PM   #12
zooker
BassFishin.Com Premier Elite
 
zooker's Avatar
 
Join Date: Jan 2004
Location: denton nc
Posts: 13,441
Default

get new cable.....


zooker
__________________
the godfather..
aml in remission since 7-20-09
zooker is offline   Reply With Quote
Old 01-11-08, 09:23 PM   #13
WTL
BassFishin.Com Premier Elite
 
WTL's Avatar
 
Join Date: Dec 2001
Location: Huntsville, Al
Posts: 7,466
Default

I'm waiting for the new teleflex SafeT cable to come in, hopefully tommorrow or something...maybe. I now have the electrical diagram, and come to realize the switches on the panel werent quite right so that confused me for a couple days. I should get that hooked up tommorow. If the steering cable comes in tommorow there is an outside chance I could get it on the lake to test it in the evening.

So, what should I check before going up the lake and rebreaking it in? That it spits water? What else, give me a checklist!
__________________
Selling live waterdogs for less since 2005.
WTL is offline   Reply With Quote
Old 01-12-08, 10:02 AM   #14
1FASTLASER
BassFishin.Com Super Veteran
 
1FASTLASER's Avatar
 
Join Date: Aug 2005
Location: crossett,arkansas
Posts: 2,777
Default

Make sure she is getting water as you stated and that you mix the fuel at 50-1. A compression test will tell ya how good a shape its in. Listen to when you put it in gear. Should be fairly smooth. Need any more info lemme know. By the way where did ya get the siring diagram?? Inquiring mionds wanna know??
__________________
Laser's rule with Merc's doing the pushing..........KEEP THE WETSIDE DOWN AND THE DRY SIDE UP!!!!!!
1FASTLASER is offline   Reply With Quote
Old 01-12-08, 02:19 PM   #15
WTL
BassFishin.Com Premier Elite
 
WTL's Avatar
 
Join Date: Dec 2001
Location: Huntsville, Al
Posts: 7,466
Default

Laser, the user F_R on iboats emailed me one of a 64 75 horse which seems to be very close so I'm going with that. Thanks for the tip on that site, its a good one.
__________________
Selling live waterdogs for less since 2005.
WTL is offline   Reply With Quote
Old 01-18-08, 06:27 PM   #16
WTL
BassFishin.Com Premier Elite
 
WTL's Avatar
 
Join Date: Dec 2001
Location: Huntsville, Al
Posts: 7,466
Default

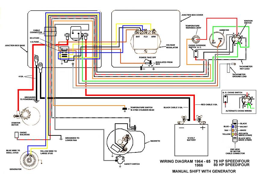
Lazer, here's the diagram. Let me know if you need me to still email it, but you should be able to save it. And thanks for all your help.

Click image for larger version

Name:	untitled.JPG
Views:	2644
Size:	91.2 KB
ID:	1935






SO I took it out on the lake for the first time today. Not all is well. It runs, it steers and it goes into F, N and R; but past a fast idle the engine will bog down. It has a adjustable high speed jet setting (which I really don't understand conceptually) and I fooled with that a lil while but was unable to really get it to go past a fast idle. The engine will rev all the way up when in neutral and smokes quite a bit. Any possibilities that you guys can think of would be appreciated, I immediatly thought of lower end trouble wheras the old man said it might just be carbs being varnished up. It will get the seafoam regardless.

Zook, if you see this and have a sec give me a call.
__________________
Selling live waterdogs for less since 2005.
WTL is offline   Reply With Quote
Old 01-19-08, 08:25 AM   #17
zooker
BassFishin.Com Premier Elite
 
zooker's Avatar
 
Join Date: Jan 2004
Location: denton nc
Posts: 13,441
Default

it is on my to do list for today -that and fishing in a blizzard...

zooker
__________________
the godfather..
aml in remission since 7-20-09
zooker is offline   Reply With Quote
Old 01-19-08, 06:44 PM   #18
1FASTLASER
BassFishin.Com Super Veteran
 
1FASTLASER's Avatar
 
Join Date: Aug 2005
Location: crossett,arkansas
Posts: 2,777
Default

Got it WTL and got it saved along with I dont know how many other diagrams I have gotten for people for one reason or another. I guess I should put these on a CD cause ifn I ever crash this puter the amount of knowl;edge I am gonna loose will take FOREEVER to regain. Again thanks for sending me the diagram. If I can be any help on finding anything lemme know. I usually can find the proverbial pin in the haystack.
__________________
Laser's rule with Merc's doing the pushing..........KEEP THE WETSIDE DOWN AND THE DRY SIDE UP!!!!!!
1FASTLASER is offline   Reply With Quote
Reply

Disclosure / Disclaimer
Before acting on the content posted, you should know that BassFishin.Com may benefit financially and otherwise from content, advertising, links or otherwise from anything you click on, read, or look at on our website. Click here to read our Disclosure Policy and Disclaimer.


Currently Active Users Viewing This Thread: 1 (0 members and 1 guests)
 
Thread Tools
Display Modes Rate This Thread
Rate This Thread:

Posting Rules
You may not post new threads
You may not post replies
You may not post attachments
You may not edit your posts

BB code is On
Smilies are On
[IMG] code is On
HTML code is Off

Forum Jump


All times are GMT -4. The time now is 09:03 AM.


Powered by vBulletin® Version 3.8.7
Copyright ©2000 - 2026, vBulletin Solutions, Inc.
© 2013 BassFishin.Com LLC